zoukankan      html  css  js  c++  java
  • 西门子PLC 8种入门实例接线与控制

    此次为大家带来的是关于一些PLC编程控制入门常用到的实例,以此为借鉴,让学PLC的进度条缩短,加大掌握程度。里面包含的知识点是较为齐全的,如:I/O分配表、PLC接线图、梯形图程序等。

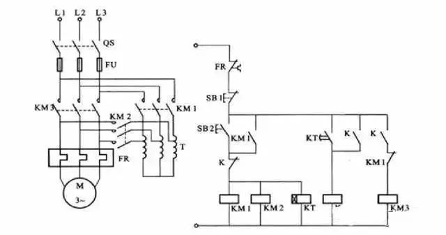
    一、电动机顺序启动、顺序停止控制(I/O分配表、PLC接线图、梯形图程序)

    图片

    图片

    图片

    图片

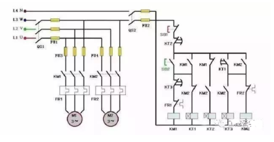
    二、 电动机的顺序启动、同时停止(I/O分配表、PLC接线图、梯形图程序)

    图片

    图片

    图片

    图片

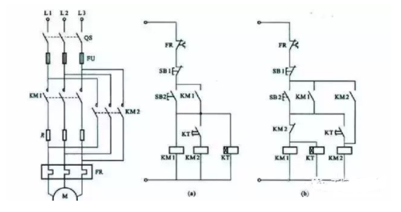
    三、电动机的顺序启动、逆序停止(I/O分配表、PLC接线图、梯形图程序)

    图片

    图片

    图片

    图片

    四、电动机延时启动、停止控制(I/O分配表、PLC接线图、梯形图程序)

    图片

    图片

    图片

    图片

    五、笼型感应电动机定子绕组从串电阻降压启动控制系统(I/O分配表、PLC接线图、梯形图程序)

    图片

    图片

    图片

    图片

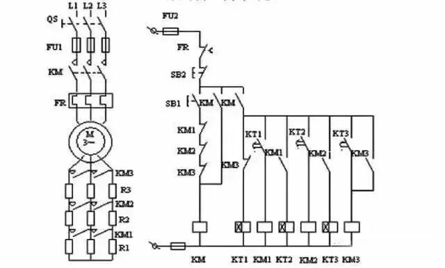
    六、三相绕线感应电动机转子绕组串电阻降压启动控制系统(I/O分配表、PLC接线图、梯形图程序)

    图片

    图片

    图片

    图片

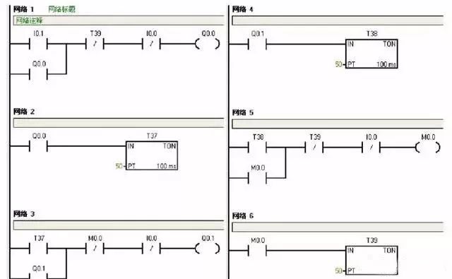
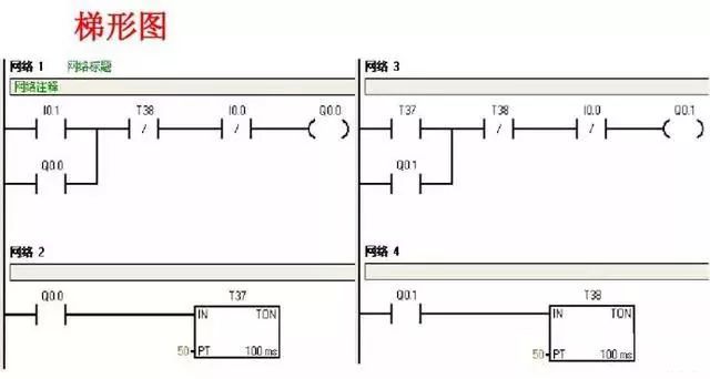
    七、Y-降压启动控制系统(I/O分配表、PLC接线图、梯形图程序)

    Y-降压启动控制(1)

    图片

    图片

    图片

    图片

    Y-降压启动控制(2)

    图片

    图片

    图片

    图片

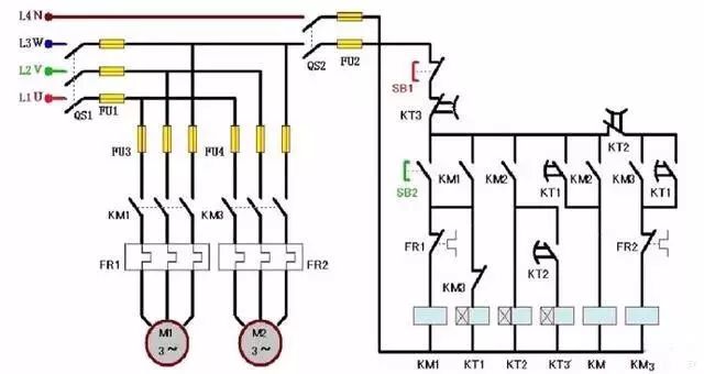
    八、自耦变压器降压启动控制系统(I/O分配表、PLC接线图、梯形图程序)

    图片

    图片

    图片

    免责声明:本文系网络转载,版权归原作者所有

    图片

    下面是小编给大家准备的“西门子全套”资料,含手册、案例、软件等资料,不要忘记领取哦~

    图片

    图片

  • 相关阅读:
    [NOI2004]cashier 郁闷的出纳员
    [HNOI2004]宠物收养所
    [HNOI2002]营业额统计
    浅谈算法——莫比乌斯反演
    浅谈算法——splay
    [POI2006]Tet-Tetris 3D
    BZOJ2733 [HNOI2012]永无乡 【线段树合并】
    UOJ279 【UTR #2】题目交流通道
    UOJ278 【UTR #2】题目排列顺序
    POJ2761 Feed the dogs
  • 原文地址:https://www.cnblogs.com/shuimuqingyang/p/14884966.html
Copyright © 2011-2022 走看看