zoukankan      html  css  js  c++  java
  • Linux 操作系统原理 — 文件系统 — 实现原理

    目录

    文件的实现

    最重要的问题是记录各个文件分别用到了哪些磁盘块。不同的系统采用了不同的方法。下面我们会探讨一下这些方式。分配背后的主要思想是有效利用文件空间和快速访问文件 ,主要有三种分配方案:

    1. 连续分配
    2. 链表分配
    3. 索引分配

    连续分配

    最简单的分配方案是把每个文件作为一连串连续数据块存储在磁盘上。因此,在具有 1KB 块的磁盘上,将为 50 KB 文件分配 50 个连续块。

    在这里插入图片描述

    上面展示了 40 个连续的内存块。从最左侧的 0 块开始。初始状态下,还没有装载文件,因此磁盘是空的。接着,从磁盘开始处(块 0)处开始写入占用 4 块长度的内存 A 。然后是一个占用 6 块长度的内存 B,会直接在 A 的末尾开始写。

    注意每个文件都会在新的文件块开始写,所以如果文件 A 只占用了 3 又 1/2 个块,那么最后一个块的部分内存会被浪费。在上面这幅图中,总共展示了 7 个文件,每个文件都会从上个文件的末尾块开始写新的文件块。

    连续的磁盘空间分配有两个优点:

    1. 第一,连续文件存储实现起来比较简单,只需要记住两个数字就可以:一个是第一个块的文件地址和文件的块数量。给定第一个块的编号,可以通过简单的加法找到任何其他块的编号。
    2. 第二点是读取性能比较强,可以通过一次操作从文件中读取整个文件。只需要一次寻找第一个块。后面就不再需要寻址时间和旋转延迟,所以数据会以全带宽进入磁盘。

    因此,连续的空间分配具有实现简单、高性能的特点。不幸的是,连续空间分配也有很明显的不足。随着时间的推移,磁盘会变得很零碎。下图解释了这种现象:

    在这里插入图片描述

    这里有两个文件 D 和 F 被删除了。当删除一个文件时,此文件所占用的块也随之释放,就会在磁盘空间中留下一些空闲块。磁盘并不会在这个位置挤压掉空闲块,因为这会复制空闲块之后的所有文件,可能会有上百万的块,这个量级就太大了。

    刚开始的时候,这个碎片不是问题,因为每个新文件都会在之前文件的结尾处进行写入。然而,磁盘最终会被填满,因此要么压缩磁盘、要么重新使用空闲块的空间。压缩磁盘的开销太大,因此不可行;后者会维护一个空闲列表,这个是可行的。但是这种情况又存在一个问题,为空闲块匹配合适大小的文件,需要知道该文件的最终大小。

    想象一下这种设计的结果会是怎样的。用户启动 word 进程创建文档。应用程序首先会询问最终创建的文档会有多大。这个问题必须回答,否则应用程序就不会继续执行。如果空闲块的大小要比文件的大小小,程序就会终止。因为所使用的磁盘空间已经满了。

    链表分配

    第二种存储文件的方式是为每个文件构造磁盘块链表,每个文件都是磁盘块的链接列表,就像下面所示:
    在这里插入图片描述
    每个块的第一个字作为指向下一块的指针,块的其他部分存放数据。如果上面这张图你看的不是很清楚的话,可以看看整个的链表分配方案:
    在这里插入图片描述

    与连续分配方案不同,这一方法可以充分利用每个磁盘块。除了最后一个磁盘块外,不会因为磁盘碎片而浪费存储空间。同样,在目录项中,只要存储了第一个文件块,那么其他文件块也能够被找到。

    另一方面,在链表的分配方案中,尽管顺序读取非常方便,但是随机访问却很困难(这也是数组和链表数据结构的一大区别)。还有一个问题是,由于指针会占用一些字节,每个磁盘块实际存储数据的字节数并不再是 2 的整数次幂。虽然这个问题并不会很严重,但是这种方式降低了程序运行效率。许多程序都是以长度为 2 的整数次幂来读写磁盘,由于每个块的前几个字节被指针所使用,所以要读出一个完成的块大小信息,就需要当前块的信息和下一块的信息拼凑而成,因此就引发了查找和拼接的开销。

    使用内存表进行链表分配:由于连续分配和链表分配都有其不可忽视的缺点。所以提出了使用内存中的表来解决分配问题。取出每个磁盘块的指针字,把它们放在内存的一个表中,就可以解决上述链表的两个不足之处。下面是一个例子。
    在这里插入图片描述
    上图表示了链表形成的磁盘块的内容。这两个图中都有两个文件,文件 A 依次使用了磁盘块地址 4、7、 2、 10、 12,文件 B 使用了6、3、11 和 14。也就是说,文件 A 从地址 4 处开始,顺着链表走就能找到文件 A 的全部磁盘块。同样,从第 6 块开始,顺着链走到最后,也能够找到文件 B 的全部磁盘块。你会发现,这两个链表都以不属于有效磁盘编号的特殊标记(-1)结束。内存中的这种表格称为 文件分配表(File Application Table,FAT)。

    使用这种组织方式,整个块都可以存放数据。进而,随机访问也容易很多。虽然仍要顺着链在内存中查找给定的偏移量,但是整个链都存放在内存中,所以不需要任何磁盘引用。与前面的方法相同,不管文件有多大,在目录项中只需记录一个整数(起始块号),按照它就可以找到文件的全部块。

    这种方式存在缺点,那就是必须要把整个链表放在内存中。对于 1TB 的磁盘和 1KB 的大小的块,那么这张表需要有 10 亿项。每一项对应于这 10 亿个磁盘块中的一块。每项至少 3 个字节,为了提高查找速度,有时需要 4 个字节。根据系统对空间或时间的优化方案,这张表要占用 3GB 或 2.4GB 的内存。FAT 的管理方式不能较好地扩展并应用于大型磁盘中。而这正是最初 MS-DOS 文件比较实用,并仍被各个 Windows 版本所安全支持。

    索引分配

    最后一个记录各个文件分别包含哪些磁盘块的方法是给每个文件赋予一个称为 inode(索引节点)的数据结构,每个文件都与一个 inode 进行关联,inode 由整数进行标识。

    在这里插入图片描述
    给出 inode 的长度,就能够找到文件中的所有块。相对于在内存中使用表的方式而言,这种机制具有很大的优势。即只有在文件打开时,其 inode 才会在内存中。如果每个 inode 需要 n 个字节,最多 k 个文件同时打开,那么 inode 占有总共打开的文件是 kn 字节。仅需预留这么多空间。

    这个数组要比我们上面描述的 FAT(文件分配表) 占用的空间小的多。原因是用于保存所有磁盘块的链接列表的表的大小与磁盘本身成正比。如果磁盘有 n 个块,那么这个表也需要 n 项。随着磁盘空间的变大,那么该表也随之线性增长。相反,inode 需要节点中的数组,其大小和可能需要打开的最大文件个数成正比。它与磁盘是 100GB、4000GB 还是 10000GB 无关。

    inode 有一个问题是如果每个节点都会有固定大小的磁盘地址,那么文件增长到所能允许的最大容量外会发生什么?一个解决方案是最后一个磁盘地址不指向数据块,而是指向一个包含额外磁盘块地址的地址,如上图所示。一个更高级的解决方案是:有两个或者更多包含磁盘地址的块,或者指向其他存放地址的磁盘块的磁盘块。Windows 的 NTFS 文件系统采用了相似的方法,所不同的仅仅是大的 inode 也可以表示小的文件。

    NTFS(New Technology File System)是微软公司开发的专用系统文件,NTFS 取代 FAT(文件分配表)和 HPFS(高性能文件系统),并在此基础上进一步改进。例如增强对元数据的支持,使用更高级的数据结构以提升性能、可靠性和磁盘空间利用率等。

    目录的实现

    文件只有打开后才能够被读取。在文件打开后,操作系统会使用用户提供的路径名来定位磁盘中的目录。目录项提供了查找文件磁盘块所需要的信息。根据系统的不同,提供的信息也不同,可能提供的信息是整个文件的磁盘地址,或者是第一个块的数量(两个链表方案)或 inode 的数量。不过不管用那种情况,目录系统的主要功能就是 将文件的 ASCII 码的名称映射到定位数据所需的信息上。

    与此关系密切的问题是属性应该存放在哪里。每个文件系统包含不同的文件属性,例如文件的所有者和创建时间,需要存储的位置。一种显而易见的方法是直接把文件属性存放在目录中。有一些系统恰好是这么做的,如下。

    在这里插入图片描述

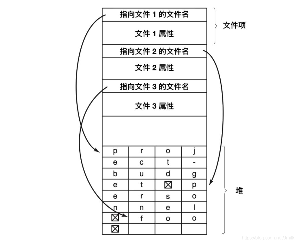
    在这种简单的设计中,目录有一个固定大小的目录项列表,每个文件对应一项,其中包含一个固定长度的文件名,文件属性的结构体以及用以说明磁盘块位置的一个或多个磁盘地址。

    对于采用 inode 的系统,会把 inode 存储在属性中而不是目录项中。在这种情况下,目录项会更短:仅仅只有文件名称和 inode 数量。这种方式如下所示:

    到目前为止,我们已经假设文件具有较短的、固定长度的名字。在 MS-DOS 中,具有 1 - 8 个字符的基本名称和 1 - 3 个字符的可拓展名称。在 UNIX 版本 7 中,文件有 1 - 14 个字符,包括任何拓展。然而,几乎所有的现代操作系统都支持可变长度的扩展名。这是如何实现的呢?

    最简单的方式是给予文件名一个长度限制,比如 255 个字符,然后使用上图中的设计,并为每个文件名保留 255 个字符空间。这种处理很简单,但是浪费了大量的目录空间,因为只有很少的文件会有那么长的文件名称。所以,需要一种其他的结构来处理。

    一种可选择的方式是放弃所有目录项大小相同的想法。在这种方法中,每个目录项都包含一个固定部分,这个固定部分通常以目录项的长度开始,后面是固定格式的数据,通常包括所有者、创建时间、保护信息和其他属性。这个固定长度的头的后面是一个任意长度的实际文件名,如下图所示:

    在这里插入图片描述
    上图是 SPARC 机器使用正序放置。

    处理机中的一串字符存放的顺序有正序(big-endian)和逆序(little-endian)之分。正序存放的就是高字节在前低字节在后,而逆序存放的就是低字节在前高字节在后。

    这个例子中,有三个文件,分别是 project-budget、personnel 和 foo。每个文件名以一个特殊字符(通常是 0)结束,用矩形中的叉进行表示。为了使每个目录项从字的边界开始,每个文件名被填充成整数个字,如下图所示:

    在这里插入图片描述

    这个方法的缺点是当文件被移除后,就会留下一块固定长度的空间,而新添加进来的文件大小不一定和空闲空间大小一致。

    在这里插入图片描述

    这个问题与我们上面探讨的连续磁盘文件的问题是一样的,由于整个目录在内存中,所以只有对目录进行紧凑拼接操作才可节省空间。另一个问题是,一个目录项可能会分布在多个页上,在读取文件名时可能发生缺页中断。

    处理可变长度文件名字的另外一种方法是,使目录项自身具有固定长度,而将文件名放在目录末尾的堆栈中。如上图所示的这种方式。这种方法的优点是当目录项被移除后,下一个文件将能够正常匹配移除文件的空间。当然,必须要对堆进行管理,因为在处理文件名的时候也会发生缺页异常。

    到目前为止的所有设计中,在需要查找文件名时,所有的方案都是线性的从头到尾对目录进行搜索。对于特别长的目录,线性搜索的效率很低。提高文件检索效率的一种方式是在每个目录上使用哈希表(hash table),也叫做散列表。我们假设表的大小为 n,在输入文件名时,文件名被散列在 0 和 n - 1 之间,例如,它被 n 除,并取余数。或者对构成文件名字的字求和或类似某种方法。

    无论采用哪种方式,在添加一个文件时都要对与散列值相对 应的散列表进行检查。如果没有使用过,就会将一个指向目录项的指针指向这里。文件目录项紧跟着哈希表后面。如果已经使用过,就会构造一个链表(这种构造方式是不是和 HashMap 使用的数据结构一样?),链表的表头指针存放在表项中,并通过哈希值将所有的表项相连。

    在这里插入图片描述
    查找文件的过程和添加类似,首先对文件名进行哈希处理,在哈希表中查找是否有这个哈希值,如果有的话,就检查这条链上所有的哈希项,查看文件名是否存在。如果哈希不在链上,那么文件就不在目录中。

    使用哈希表的优势是查找非常迅速,缺点是管理起来非常复杂。只有在系统中会有成千上万个目录项存在时,才会考虑使用散列表作为解决方案。

    另外一种在大量目录中加快查找指令目录的方法是使用缓存,缓存查找的结果。在开始查找之前,会首先检查文件名是否在缓存中。如果在缓存中,那么文件就能立刻定位。当然,只有在较少的文件下进行多次查找,缓存才会发挥最大功效。

    共享文件

    当多个用户在同一个项目中工作时,他们通常需要共享文件。如果这个共享文件同时出现在多个用户目录下,那么他们协同工作起来就很方便。下面的这张图我们在上面提到过,但是有一个更改的地方,就是 C 的一个文件也出现在了 B 的目录下。

    在这里插入图片描述

    如果按照如上图的这种组织方式而言,那么 B 的目录与该共享文件的联系称为 链接(link)。那么文件系统现在就是一个 有向无环图(Directed Acyclic Graph,DAG),而不是一棵树了。

    在图论中,如果一个有向图从任意顶点出发无法经过若干条边回到该点,则这个图是一个有向无环图,我们不会在此着重探讨关于图论的东西,大家可以自行 google。

    将文件系统组织成为有向无环图会使得维护复杂化,但也是必须要付出的代价。

    共享文件很方便,但这也会带来一些问题。如果目录中包含磁盘地址,则当链接文件时,必须把 C 目录中的磁盘地址复制到 B 目录中。如果 B 或者 C 随后又向文件中添加内容,则仅在执行追加的用户的目录中显示新写入的数据块。这种变更将会对其他用户不可见,从而破坏了共享的目的。

    在这里插入图片描述
    有两种方案可以解决这种问题:

    1. 第一种解决方案,磁盘块不列入目录中,而是会把磁盘块放在与文件本身相关联的小型数据结构中。目录将指向这个小型数据结构。这是 UNIX 中使用的方式(小型数据结构就是 inode)。
    2. 在第二种解决方案中,通过让系统建立一个类型为 LINK 的新文件,并把该文件放在 B 的目录下,使得 B 与 C 建立链接。新的文件中只包含了它所链接的文件的路径名。当 B 想要读取文件时,操作系统会检查 B 的目录下存在一个类型为 LINK 的文件,进而找到该链接的文件和路径名,然后再去读文件,这种方式称为 符号链接(symbolic linking)。

    在这里插入图片描述

    上面的每一种方法都有各自的缺点,在第一种方式中,B 链接到共享文件时,inode 记录文件的所有者为 C。建立一个链接并不改变所有关系,如下图所示。
    在这里插入图片描述
    第一开始的情况如图 a 所示,此时 C 的目录的所有者是 C ,当目录 B 链接到共享文件时,并不会改变 C 的所有者关系,只是把计数 + 1,所以此时 系统知道目前有多少个目录指向这个文件。然后 C 尝试删除这个文件,这个时候有个问题,如果 C 把文件移除并清除了 inode 的话,那么 B 会有一个目录项指向无效的节点。如果 inode 以后分配给另一个文件,则 B 的链接指向一个错误的文件。系统通过 inode 可知文件仍在被引用,但是没有办法找到该文件的全部目录项以删除它们。指向目录的指针不能存储在 inode 中,原因是有可能有无数个这样的目录。

    所以我们能做的就是删除 C 的目录项,但是将 inode 保留下来,并将计数设置为 1 ,如上图 c 所示。c 表示的是只有 B 有指向该文件的目录项,而该文件的前者是 C 。如果系统进行记账操作的话,那么 C 将继续为该文件付账直到 B 决定删除它,如果是这样的话,只有到计数变为 0 的时刻,才会删除该文件。

    对于符号链接,以上问题不会发生,只有真正的文件所有者才有一个指向 inode 的指针。链接到该文件上的用户只有路径名,没有指向 inode 的指针。当文件所有者删除文件时,该文件被销毁。以后若试图通过符号链接访问该文件将会失败,因为系统不能找到该文件。删除符号链接不会影响该文件。

    符号链接的问题是需要额外的开销。必须读取包含路径的文件,然后要一个部分接一个部分地扫描路径,直到找到 inode 。这些操作也许需要很多次额外的磁盘访问。此外,每个符号链接都需要额外的 inode ,以及额外的一个磁盘块用于存储路径,虽然如果路径名很短,作为一种优化,系统可以将它存储在 inode 中。符号链接有一个优势,即只要简单地提供一个机器的网络地址以及文件在该机器上驻留的路径,就可以连接全球任何地方机器上的文件。

    还有另一个由链接带来的问题,在符号链接和其他方式中都存在。如果允许链接,文件有两个或多个路径。查找一指定目录及其子目录下的全部文件的程序将多次定位到被链接的文件。例如,一个将某一目录及其子目录下的文件转存到磁带上的程序有可能多次复制一个被链接的文件。进而,如果接着把磁带读入另一台机器,除非转出程序具有智能,否则被链接的文件将被两次复制到磁盘上,而不是只是被链接起来。

    文件系统在内核中的实现

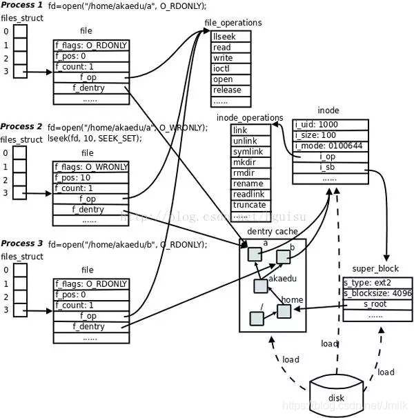
    Linux 内核的 VFS(虚拟文件系统)子系统可以图示如下:
    在这里插入图片描述

    每个进程在 PCB(Process Control Block)中都保存着一份文件描述符表,文件描述符就是这个表的索引,每个表项都有一个指向已打开文件的指针,现在我们明确一下:已打开的文件在内核中用 file 结构体表示,文件描述符表中的指针指向 file 结构体。

    在 file 结构体中维护 File Status Flag(file 结构体的成员 f_flags)和当前读写位置(file 结构体的成员 f_pos)。在上图中,进程 1 和进程 2 都打开同一文件,但是对应不同的 file 结构体,因此可以有不同的 File Status Flag 和读写位置。file 结构体中比较重要的成员还有 f_count,表示引用计数(Reference Count),后面我们会讲到。

    dup、fork 等系统调用会导致多个文件描述符指向同一个 file 结构体,例如:有 fd1 和 fd2 都引用同一个 file 结构体,那么它的引用计数就是 2,当 close(fd1) 时并不会释放 file 结构体,而只是把引用计数减到 1,如果再 close(fd2),引用计数就会减到 0 同时释放 file 结构体,这才真的关闭了文件。

    每个 file 结构体都指向一个 file_operations 结构体,这个结构体的成员都是函数指针,指向实现各种文件操作的内核函数。比如:在用户程序中 read() 一个文件描述符,read 通过系统调用进入内核,然后找到这个文件描述符所指向的 file 结构体,找到 file 结构体所指向的 file_operations 结构体,调用它的 read 成员所指向的内核函数以完成用户请求。在用户程序中调用 lseek、read、write、ioctl、open 等函数,最终都由内核调用 file_operations 的各成员所指向的内核函数完成用户请求。

    file_operations 结构体中的 release 成员用于完成用户程序的 close 请求,之所以叫 release 而不叫 close 是因为它不一定真的关闭文件,而是减少引用计数,只有引用计数减到 0 才关闭文件。对于同一个文件系统上打开的常规文件来说,read、write 等文件操作的步骤和方法应该是一样的,调用的函数应该是相同的,所以图中的三个打开文件的 file 结构体指向同一个 file_operations 结构体。如果打开一个字符设备文件,那么它的 read、write 操作肯定和常规文件不一样,不是读写磁盘的数据块而是读写硬件设备,所以 file 结构体应该指向不同的 file_operations 结构体,其中的各种文件操作函数由该设备的驱动程序实现。

    每个 file 结构体都有一个指向 dentry 结构体的指针,“dentry” 是 directory entry(目录项)的缩写。我们传给 open、stat 等函数的参数的是一个路径,例如 /home/akaedu/a,需要根据路径找到文件的 inode。为了减少读盘次数,内核缓存了目录的树状结构,称为 dentry cache,其中每个节点是一个 dentry 结构体,只要沿着路径各部分的 dentry 搜索即可,从根目录 / 找到 home 目录,然后找到 akaedu 目录,然后找到文件 a。dentry cache 只保存最近访问过的目录项,如果要找的目录项在 cache 中没有,就要从磁盘读到内存中。

    每个 dentry 结构体都有一个指针指向 inode 结构体。inode 结构体保存着从磁盘 inode 读上来的信息。在上图的例子中,有两个 dentry,分别表示 /home/akaedu/a 和 /home/akaedu/b,它们都指向同一个 inode,说明这两个文件互为硬链接。inode 结构体中保存着从磁盘分区的 inode 读上来信息,例如:所有者、文件大小、文件类型和权限位等。每个 inode 结构体都有一个指向 inode_operations 结构体的指针,后者也是一组函数指针指向一些完成文件目录操作的内核函数。

    和 file_operations 不同,inode_operations 所指向的不是针对某一个文件进行操作的函数,而是影响文件和目录布局的函数,例如:添加、删除文件和目录、跟踪符号链接等等,属于同一文件系统的各 inode 结构体可以指向同一个 inode_operations 结构体。

    inode 结构体有一个指向 super_block 结构体的指针。super_block 结构体保存着从磁盘分区的超级块读上来的信息,例如:文件系统类型、块大小等。super_block 结构体的 s_root 成员是一个指向 dentry 的指针,表示这个文件系统的根目录被 mount 到哪里,在上图的例子中这个分区被 mount 到 /home 目录下。

    file、dentry、inode、super_block 这几个结构体组成了 VFS 的核心概念。对于 ext2 文件系统来说,在磁盘存储布局上也有 inode 和超级块的概念,所以很容易和 VFS 中的概念建立对应关系。而另外一些文件系统格式来自非 UNIX 系统(e.g. Windows 的 FAT32、NTFS),可能没有 inode 或超级块这样的概念,但为了能 mount 到 Linux 系统,也只好在驱动程序中硬凑一下,在 Linux 下看 FAT32 和 NTFS 分区会发现权限位是错的,所有文件都是 rwxrwxrwx,因为它们本来就没有 inode 和权限位的概念,这是硬凑出来的。

    相关阅读:

  • 相关阅读:
    add() 方法用于向 <select> 添加一个 <option> 元素。
    jQuery LigerUI V1.2.3 (包括API和全部源码) 发布
    jQuery LigerUI V1.2.2 (包括API和全部源码) 发布
    SpringBoot整合Dubbo配合ZooKeeper注册中心
    【转】MySql 三大知识点——索引、锁、事务
    Redis持久化背后的故事
    利用Docker搭建Redis集群
    synchronized的实现原理与应用
    ConcurrentHashMap
    volatile的内存语义与应用
  • 原文地址:https://www.cnblogs.com/hzcya1995/p/13309275.html
Copyright © 2011-2022 走看看